|
|
|
 |
产品中心>>空气过滤器 |
RFMMCC型高炉煤气干法袋式除尘系统 |
高炉煤气干法袋式除尘系统是瑞帆企业自主设计和制造的具有国际领先水平的高炉煤气净化装置,本装置具有无污染、能耗小、运行维护费用低、运行安全稳定等优点,属节能环保项目。位于国家钢铁行业推广的“三干一电”(高炉煤气干法除尘、转炉煤气干法除尘、干熄焦和高炉煤气余压发电)之首。
工艺原理
RFMMCC型高炉煤气干法袋式除尘系统主要由除尘系统箱体、过滤装置、脉冲反吹系统、煤气放散系统、煤气总管、氮气储罐、阀门、补偿器、安全装置、卸输灰系统、工艺管道、给排水系统、储灰及卸灰系统、电气、仪表及自动化控制系统和钢结构框架等组成。
高炉煤气经重力除尘后,由荒煤气主管分配到布袋除尘系统各箱体中,并进入荒煤气室,颗粒较大的粉尘由于重力作用自然沉降而进入灰斗,颗粒较小的粉尘随煤气上升。经过滤袋时,粉尘被阻留在滤袋的外表面,煤气得到净化。净化后的煤气进入净煤气室,由净煤气总管输入TRT系统推动透平做功或经过煤气减压阀组减压后,输入低压煤气管网。
随着过滤过程的不断进行,滤袋上的粉尘越积越多,过滤阻力不断增大。当阻力增大(或时间)到一定值时,PLC或DCS等控制系统自动控制电磁脉冲阀启动,进行脉冲喷吹清灰,喷吹气体采用氮气,清理的灰尘落入灰斗。当灰斗的灰尘累积到一定量(由料位计控制或时间控制)时,卸输灰系统自动启动(输灰分机械输灰和气力输灰两种方式)将灰尘输送至灰仓,最后由汽车运出厂区或用仓泵把灰仓内的灰尘输送到指定地点。
性能特点
1、高炉煤气干法袋式除尘系统是由若干除尘系统箱体并联组合而成,并由过滤、清灰、粉尘输送、自动控制组成的一个系统。
2、滤袋采用耐高温、高负荷、高强度的特种滤袋,使用寿命长。
3、采用外滤过滤形式,滤袋从箱体上部更换。
4、采用脉冲喷吹清灰技术,清灰能力强,除尘效率高,能耗少,钢耗小,占地面积小,运行稳定可靠。
5、采用气体输送技术,输灰效果好,成本低,且不产生二次污染。 |
|
| 技术参数 |
|
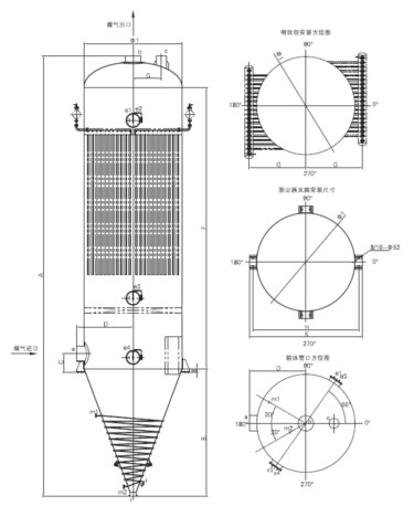
| 除尘装置箱体的结构 |
|
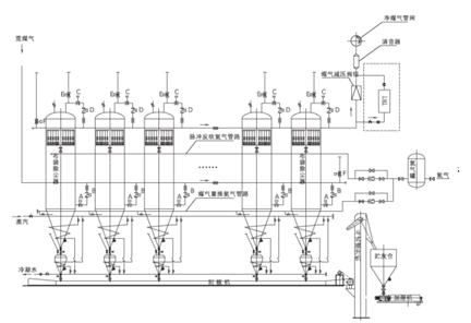
除尘装置工艺流程(见图一、图二、图三)
图一 采用机械方式输灰的工艺流程图 |
|
| 阀门操作一览表 |
 |
注:在脉冲氮气反吹方式正常工作时,循环打开电磁阀,对布袋实施动态的脉冲反吹,电磁阀的开启以及时间间隔由PLC控制,在脉冲反吹过程中可根据反吹效果关闭出口蝶阀C阀(离线反吹),反吹时不能卸灰。
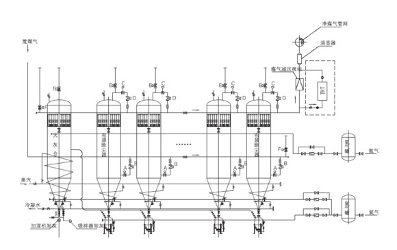
图二 采用液相仓泵气力输灰的工艺流程图 |
|
| 阀门操作一览表 |
|
| 注:在脉冲氮气反吹方式正常工作时,循环打开电磁阀,对布袋实施动态的脉冲反吹,电磁阀的开启以及时间间隔由PLC控制,在脉冲反吹过程中可根据反吹效果关闭出口蝶阀C阀(离线反吹),反吹时不能卸灰。 |
|
|
|
|