网站首页
公司简介
产品中心
公司荣誉
新闻中心
营销网络
服务理念
联系我们
产品列表
Products
管式反应器
管道过滤器
滤件系列
精细过滤器
自洁式过滤器
空气过滤器
混合设备
管道小设备
洗眼器
消声器
规整填料
排水器
高效换热器
产品中心>>精细过滤器
非金属滤芯精细过滤器JHGN型
1、纤维烧结滤芯精细过滤器JHGN-I型
JHGN-I型精细过滤器,其滤件采用特定的短纤维烧结滤芯,具有处理大,使用寿命长、过滤精度高等特点。用于液体过滤,过滤精度1~125μm。
JHGN-I型精细过滤器主要应用实例
-天然气开采的胺脱硫加工流程中贫胺、富胺过滤;
-原油开采中,工业污水过滤、注水过滤;
-石油精炼的轻质燃油加工流程中,如石脑油、轻烃油、柴油、 汽油、急冷水等过滤;
-化工生产的工厂进水、工艺水、树脂、溶剂过滤。
2、线缠绕式滤芯精细过滤器JHGN-II型
JHGN-II型精细过滤器其滤件采用纺织纤维纱缠绕式滤芯,具有过滤能力强,纳污能力大,适用范围广等优点,主要用于液体过滤,过滤精度0.5~100μm。
JHGN-II型精细过滤器主要应用实例
-芳烃抽提工艺流程中各类溶剂过滤,如环丁砜,二乙二醇醚、三乙二醇醚、四乙二醇醚、二甲基亚砜等;
-加氢脱硫工艺流程中贫液、富液过滤;
-聚酯行业中,C5~C10烷类、烃类过滤;
-化工、轻工行业:工业水、高质量油墨、油漆等过滤;
-天然气过滤。
3、聚丙烯折叠式滤芯精细过滤器JHGN-III型
JHGN-III型精细过滤器,其滤件采用聚丙烯折叠式滤芯,具有过滤精度高,处理量大等优点,可用于液体、气体过滤,过滤精度0.1~60μm。
JHGN-III型精细过滤器主要应用实例
-天然气开采中天然气及洗气用的胺过滤;
-制药行业:无菌水、气体除菌,各种输液最终过滤;
-化学工业:有机溶剂、醇等过滤;
-食品工业:食用油,发酵罐空气过滤等。
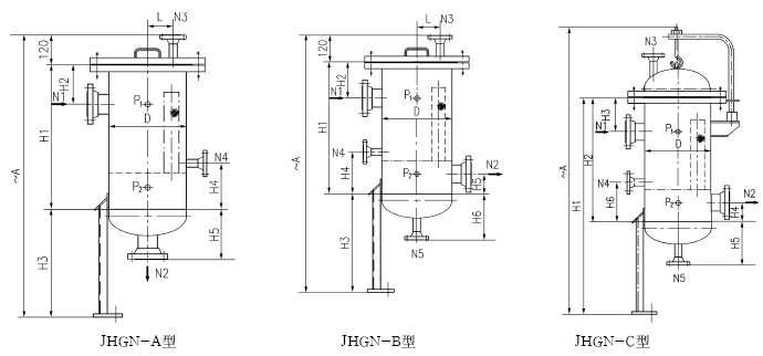
JHGN型精细过滤器典型结构及尺寸
JHGN-A型
JHGN-B型
注:滤芯数指折合标准型滤芯(10″长)数目;JHGN-B-08~JHGN-B-16平盖为吊臂移动式。
JHGN-C型
注:滤芯数指折合标准型滤芯(10″长)数目。
<< 返回
南通沃尔驰石化工程有限公司 地址:启东市汇龙镇中央河中路691号 邮编:226200 http://www.qdhtxj.com E-mail:13862978163@126.com
电话:0513-83325673 传真:0513-83119878 手机: 13862978163
管式反应器
管道反应器